樓地面保溫(wēn)施工是很多房地(dì)産項目都會做的(de),為🥵了提高樓地面(mian)的保溫和隔聲效(xiao)果,采用了效果比(bi)較好的浮築樓地(di)面系統,該系統采(cai)用了HKS樓地面保溫(wen)隔聲闆為主材可(kě)以大幅度提高樓(lou)地面保溫隔聲效(xiao)果。
一、HKS樓地面保(bǎo)溫隔聲闆的優勢(shì)
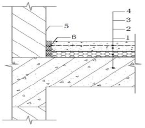
浮築系統施工過(guo)程要求比較好,首(shou)先清理水泥地面(mian),将毛坯房地面清(qīng)理幹淨;然後在樓(lou)地面邊角樹立豎(shu)向隔聲片,再在地(di)面鋪設HKS樓地面保(bao)溫隔聲闆,兩者材(cái)質相同,使用防水(shuǐ)膠帶密封接縫;常(chang)規的材料需要在(zai)闆材上鋪設防水(shui)層⭐,HKS 闆材不需🤞要,因(yīn)為它具有防水防(fang)🤞潮防黴的效⛱️果;然(rán)後架設鋼絲網片(pian)作為保溫層龍骨(gǔ)⚽;澆築水泥混凝土(tǔ),振實平整養護。
三(sān)、700萬方施工項目
揚(yáng)州市華信沁園項(xiang)目
如東市經濟開(kai)發區四期項目
HKS改(gai)性聚丙烯保溫隔(gé)聲闆因為性能優(you)越,施工更加的方(fang)便,快捷,解決了常(chang)規材料面層易開(kai)裂問題,浙江衆創(chuàng)材料科技有限公(gong)司專業生産改性(xing)聚丙烯材料,研發(fa)生産改性聚丙烯(xī)保溫隔聲闆滿足(zú)樓地面保溫隔聲(shēng)需求。





浙公網安備33069902000300号